熔噴計量泵是熔體泵的一種,是專業用于輸送高溫聚丙烯熔體的齒輪泵,泵體材質為高溫工具鋼,泵體加熱方式為電加熱。鄭州巴特提供的專業輸送高溫聚丙烯熔體的齒輪泵,被稱為ZB-M系列熔噴計量泵(熔噴機高溫計量泵)。

熔噴計量泵屬于外嚙合式齒輪泵,工作時依靠主、從動齒輪的相互嚙合造成的工作容積變化來輸送高溫熔體的。工作容積由泵體、齒輪的齒槽及具有側板功能的軸承構成(即進料區)。當齒輪按規定方向旋轉時,高溫熔體即進入進料區兩齒輪的齒槽中,隨著齒輪轉動,熔體從兩側被帶入輸料區,齒輪的再度嚙合,使齒槽中的高溫熔體被擠出排出區,壓送到出口管道。
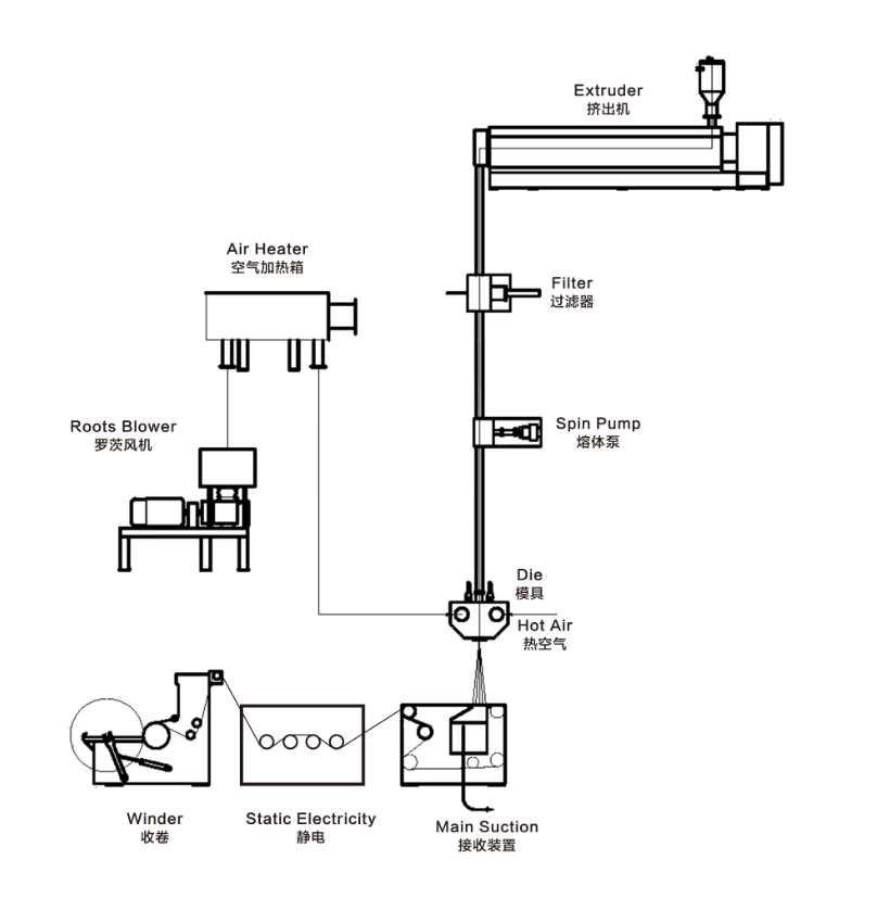
熔噴計量泵被應用于熔噴布生產線中,其作用是:計量,控制產量和纖維的細度,將熔體連續均勻輸送到噴絲頭。


1、要選購擁有多年生產經驗的廠家,因為熔噴計量泵屬于高精密設備,不僅對制造工藝要求高而且加工工藝相對復雜;對加工精度要求高,泵體與齒輪間隙、齒輪軸與軸承間隙都需要控制在絲的范疇(1絲=0.01毫米)。
2、現在市場上從事熔噴計量泵生產廠家眾多,所提供熔噴計量泵,沒有經過嚴格的加工工藝處理,以及專業技術人員精密裝配,在實際使用過程中就會導致漏料、卡泵現象頻繁。這也是為什么眾多熔噴生產線用戶選購鄭州巴特熔噴計量泵的原因。
3、市場目前多數提供熔噴計量泵,是采用鏈條實現電機與熔噴計量泵的泵軸連接,這是也是專業廠家和非專業廠家之間的重要區別;因為泵聯軸器,減速機,電機安裝后的聯軸與其水平線的夾角小于或等于3度,這也是造成熔噴計量泵使用過程中卡泵的一個重要因素。







鄭州巴特熔體泵有限公司——工廠圖

鄭州巴特熔體泵有限公司——車間部分加工設備
鄭州巴特熔體泵有限公司是一家集研發,生產于一身的,專業的熔體泵、換網器、喂料機生產商。地處鄭州市高新技術產業開發區大學科技園,依托國內院??蒲辛α?,結合歐洲技術與質量管控理念,集產,學,研于一體。尤其在熔體泵應用技術方面,積累了雄厚的經驗。對熔體泵的工作原理,性能優化,設備結構優化、控制技術等方面持續不斷深入研究,取得了相當的成果,并獲得行業內絕大多數用戶的認可與好評。